Electrical Problem
Thread Starter
Run and Tell That...
Joined: Apr 2007
Posts: 236
Likes: 0
From: South Coast, Massachusetts
Electrical Problem
So, my remote will not unlock or lock the doors or trunk, and yes I checked the batteries.
The strangest part is that the door lock switch in the car works while the car is running, but don't work if the key isn't turned to the ON position.
Also, it gets better... keep in mind I've also checked the fuses all of which are OK, but none of the interior lights operate, the radio doesn't work, and when I shut the car off, the gaugues don't drop to the normal locations. listed below
0rpm
E (Fuel)
Lowest points on H2O Temp and Oil Pressure.
Every time I turn the car to the "ON" position, the gaugues go from max to min, then sit at the correct loations, like they are resetting. The fuel trip display below the odometer also resets every time.
Any insight will be great... I was guessing this is a possible control module or diode problem... but to be honest, I'm stumped.
The strangest part is that the door lock switch in the car works while the car is running, but don't work if the key isn't turned to the ON position.
Also, it gets better... keep in mind I've also checked the fuses all of which are OK, but none of the interior lights operate, the radio doesn't work, and when I shut the car off, the gaugues don't drop to the normal locations. listed below
0rpm
E (Fuel)
Lowest points on H2O Temp and Oil Pressure.
Every time I turn the car to the "ON" position, the gaugues go from max to min, then sit at the correct loations, like they are resetting. The fuel trip display below the odometer also resets every time.
Any insight will be great... I was guessing this is a possible control module or diode problem... but to be honest, I'm stumped.
Ouch............I'm thinking ECU, but I'll have to think about it some more. It doesn't sound too damn good though. You haven't been doing any aftermarket wiring in that area have you?
You can check the connector at the ECU. Do you have a code reader that you could put on there and see if it is throwing any codes?
You can check the connector at the ECU. Do you have a code reader that you could put on there and see if it is throwing any codes?
Thread Starter
Run and Tell That...
Joined: Apr 2007
Posts: 236
Likes: 0
From: South Coast, Massachusetts
No A/M wiring or any A/M electrical components. I'll have to check with a friend who has a code reader, I did have a code for something else, not related to the electrical woes... I was thinking an ECU problem too...
Did you check the BTN 30A fuse?
I doubt its the PCM, ACC Relay, or the ROOM fuse.
I'll explain why with a diagram because its easier to explain, but it sounds like you lost your constant 12V and that's why your door locks only work when the key is turned to the 'ON' position.
I doubt its the PCM, ACC Relay, or the ROOM fuse.
I'll explain why with a diagram because its easier to explain, but it sounds like you lost your constant 12V and that's why your door locks only work when the key is turned to the 'ON' position.
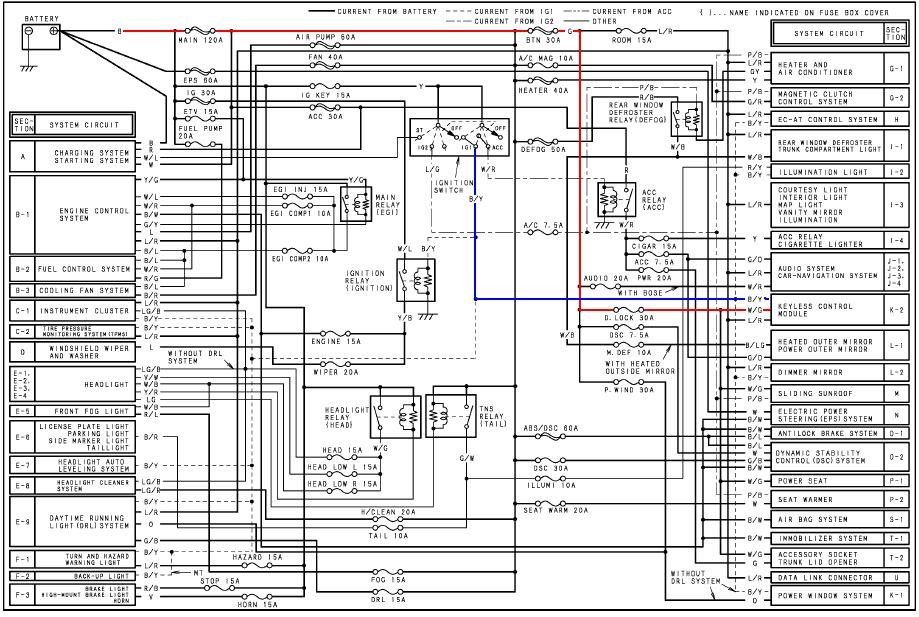
Here is a diagram to follow and help explain my theory.
Sorry for the crappy quality... at work using Microsoft Paint

The key thing for my decision was when you mention the door lock switch wouldn't work unless the key was turned to the 'ON' position, or else I would suspect the ROOM fuse too.
Looking at the attached diagram (red line) you'll see that the D LOCK fuse has constant voltage from the BTN fuse.
If you lost this voltage, you'll lose some functions of the Keyless Control Module (which a closer look at that circuit shows the door locks come from this module).
Now the blue line shows the path from the ignition when the key is turned to 'ON'.
Its now supplying voltage to the Keyless Control Module.
Which could explain why the door switch only works with the key in the 'ON' position.
If the BTN fuse ends up being OK, I would still focus on the constant voltage line (red line) because that seem the most plausible.
Good luck and keep us posted.
Sorry for the crappy quality... at work using Microsoft Paint


The key thing for my decision was when you mention the door lock switch wouldn't work unless the key was turned to the 'ON' position, or else I would suspect the ROOM fuse too.
Looking at the attached diagram (red line) you'll see that the D LOCK fuse has constant voltage from the BTN fuse.
If you lost this voltage, you'll lose some functions of the Keyless Control Module (which a closer look at that circuit shows the door locks come from this module).
Now the blue line shows the path from the ignition when the key is turned to 'ON'.
Its now supplying voltage to the Keyless Control Module.
Which could explain why the door switch only works with the key in the 'ON' position.
If the BTN fuse ends up being OK, I would still focus on the constant voltage line (red line) because that seem the most plausible.
Good luck and keep us posted.
Dave
Did you check the BTN 30A fuse?
I doubt its the PCM, ACC Relay, or the ROOM fuse.
I'll explain why with a diagram because its easier to explain, but it sounds like you lost your constant 12V and that's why your door locks only work when the key is turned to the 'ON' position.
I doubt its the PCM, ACC Relay, or the ROOM fuse.
I'll explain why with a diagram because its easier to explain, but it sounds like you lost your constant 12V and that's why your door locks only work when the key is turned to the 'ON' position.
Anyway......how about a weak or bad ground, relay not making solid connection, those might come into play as well????
You guys are going to love this one....
I decided to troubleshoot this on my own car.
I first pulled the BTN fuse and jumped in the car.
The doors would not unlock so I turned the key to 'ON' and tried the doors again.
I could hear a clicking sound somewhere around the glove box (probably the keyless control module) when I pressed the door switch, but the doors still didn't unlock.
Thinking back to the electrical diagram the ROOM fuse was also supplying constant voltage to the module, so I pulled that.
With the ROOM fuse pulled and the key out, the doors switch wouldn't work.
BUT with the key turned to the 'ON' position, I was able to use the door switch!
So check the 15A ROOM fuse!!!
You would think the D LOCK fuse is for the door lock, but not in this case!
I know I mentioned that I doubted the ROOM fuse... the D LOCK fuse really through me off there!
I decided to troubleshoot this on my own car.
I first pulled the BTN fuse and jumped in the car.
The doors would not unlock so I turned the key to 'ON' and tried the doors again.
I could hear a clicking sound somewhere around the glove box (probably the keyless control module) when I pressed the door switch, but the doors still didn't unlock.
Thinking back to the electrical diagram the ROOM fuse was also supplying constant voltage to the module, so I pulled that.
With the ROOM fuse pulled and the key out, the doors switch wouldn't work.
BUT with the key turned to the 'ON' position, I was able to use the door switch!
So check the 15A ROOM fuse!!!
You would think the D LOCK fuse is for the door lock, but not in this case!
I know I mentioned that I doubted the ROOM fuse... the D LOCK fuse really through me off there!
Thread Starter
Run and Tell That...
Joined: Apr 2007
Posts: 236
Likes: 0
From: South Coast, Massachusetts
wow, thanks for all the input and feedback! Really good stuff. It's pouring out here tonight, but once it's nice out, I'll check out what you guys suggested.
Thread Starter
Run and Tell That...
Joined: Apr 2007
Posts: 236
Likes: 0
From: South Coast, Massachusetts
I did check the 15a fuse, it was good. I actually replaced it with the spare and it worked, but the fuse I pulled out wasn't bad?? but now it's okay. Strange, but I'm not questioning it since it works now!
Thanks again for all the help and feedback!
Thanks again for all the help and feedback!
Thread
Thread Starter
Forum
Replies
Last Post
yurcivicsux
Series I Major Horsepower Upgrades
192
Sep 12, 2017 10:54 PM
garethleeds
Europe For Sale/Wanted
6
Nov 19, 2015 06:32 AM
1.3_LittersOfFurry
Series I Trouble Shooting
9
Sep 22, 2015 01:54 AM




