Starter Fried
Alryt i was searching all over the thread and cant find the answer....my starter fried and i ordered another one from autozone so this will be my
second one...can u guyz let me know if something could have short circuited? the car has 54,000 miles changed battery/coil/spark plugs last year
second one...can u guyz let me know if something could have short circuited? the car has 54,000 miles changed battery/coil/spark plugs last year
Last edited by kingsina420; Sep 17, 2009 at 05:04 PM.
Why do you think the starter is fried?
Have you taken it apart and tested it?
Have you verified you are getting a constant 12V from the battery to the starter?
Did you verify the starter solenoid is getting energized when the key is turned to 'start'?
Have you taken it apart and tested it?
Have you verified you are getting a constant 12V from the battery to the starter?
Did you verify the starter solenoid is getting energized when the key is turned to 'start'?
i have tooken the starter apart and the cable on the starter was fried (this was not my orginial starter) the orginial one also went but not like this one...i checked wit my cobb while my car was on the volt and it was readin 13.9.....and how will i know if the starter solenoid is getting energized???
I see you modified your 1st post...
We just had someone else order one from Autozone and had problems with it.
They told him it was the upgraded starter, but the part number he gave was the original weaker starter.
Do you know how to use a meter?
They told him it was the upgraded starter, but the part number he gave was the original weaker starter.
Do you know how to use a meter?
yeah cuz it was too long of a story and i dont think no one is goin to sit here and read all about it...and yeah i have a meter i forgot to use it to check ill do tht but ummm...i really hate it to be a circuit tht will cause my second starter to fry
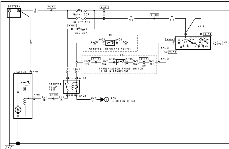
Refer to the pick below.
The connection with the white cover is your constant 12V from the battery (ALWAYS ENERGIZED)
The cable below it connects the solenoid to the motor.
The smaller connection to the left of both of those is the signal voltage when you turn your key to 'start'
This activates the "switch" in the solenoid and allows current to continue to the motor.
Verify all these connections first. It'll help narrow down if the issue is with the starter or the current going to the start.
The connection with the white cover is your constant 12V from the battery (ALWAYS ENERGIZED)
The cable below it connects the solenoid to the motor.
The smaller connection to the left of both of those is the signal voltage when you turn your key to 'start'
This activates the "switch" in the solenoid and allows current to continue to the motor.
Verify all these connections first. It'll help narrow down if the issue is with the starter or the current going to the start.
Last edited by Jon316G; Sep 17, 2009 at 05:26 PM.
yeah the cable on the solenoid to the motor fried on my previous one...i installed this one and its taking a while to crank but sound like its not getting enough juice could possibly be the battery i will deff check....but im still confused on how the wire just fried up
The original starters are known to be weak.
And measure the voltage at the battery with your meter.
Should have ~12V with the car off and ~14.4V while its running.

Call me old fashion!
That would be an easy test to do... verify the AP matches what I measure at the battery.
I might just try that.
Last edited by Jon316G; Sep 17, 2009 at 05:40 PM.
okay and if they are not getting energized that indicates its time to change battery correct? and i still dnt know how my started just fried up could it possibly be because of the battery? btw thnx for all the advice jon
Remember, one is coming from the battery and the other is coming from a relay.
Depends on if you measure anything unusual in one of these circuits.
If they appear fine, then its something within your starter.
Also keep in mind if the connection to the batter is loose, it'll cause issues too so it may not be a bad battery.
all my connections are tightened and i have an optima battery and im goin to put that in there to see wat happens...if not the what should i do to see if its the relay should i switch it wit the head relay?
I think you need to check the connections at the starter instead of blindly going around the car.
This will help point you in the right direction.
And a new battery *may* help out, but won't fix the problem IF its a weak starter.
Here is a video I made while testing this theory with a local:
http://www.vimeo.com/3653485
This will help point you in the right direction.
And a new battery *may* help out, but won't fix the problem IF its a weak starter.
Here is a video I made while testing this theory with a local:
http://www.vimeo.com/3653485




