DIY: Series 1 Radiator Cooling Fan Operation & Troubleshooting
DIY: Series 1 Radiator Cooling Fan Operation & Troubleshooting
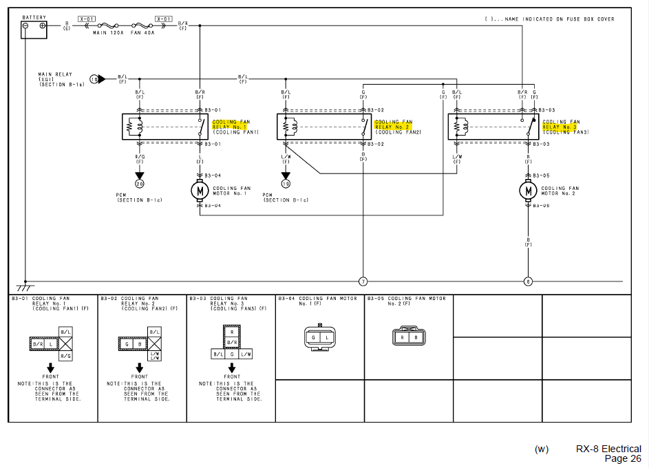
Many RX8 owners seem to have problems understanding how the radiator cooling fans operate and how to troubleshoot them. This thread will attempt to help. It will take me several days to get all the diagrams and information posted (hence the reserved areas), so please be patient.
First Diagram - Basic operation of the cooling fan system as attached to this post
.
First Diagram - Basic operation of the cooling fan system as attached to this post
.
Last edited by TeamRX8; Mar 11, 2015 at 06:38 PM.
Just came across this thread. Since last night, my car's fans are on high speed ALL the time. Doesn't matter what the coolant temps are, doesn't matter if the AC is on or off, they go on high speed as soon as I start the car and stay on for an extra 5 seconds when I turn off the car.
This normally happened when the coolant was over 213F on when the AC switch is on, but now, even when the coolant is 150F, the fans are on high speed.
Your PDF says that the fans can stay on high if there's something wrong with the ECT sensor. I checked for CEL codes and got nothing (OBD2 scanner).
HELP!
This normally happened when the coolant was over 213F on when the AC switch is on, but now, even when the coolant is 150F, the fans are on high speed.
Your PDF says that the fans can stay on high if there's something wrong with the ECT sensor. I checked for CEL codes and got nothing (OBD2 scanner).
HELP!
Thanks for reminding me to come back and finish this thread.
It should see the same signal the coolant temp gauge operates off of, but you can see & verify what ECT signal it's generating with a scan tool
It's also possible to wire Fan Relays #2 & #3 to ground so that it runs in HS mode all the time as indicated in the attachment on Page 2 of Post #1
It should see the same signal the coolant temp gauge operates off of, but you can see & verify what ECT signal it's generating with a scan tool
It's also possible to wire Fan Relays #2 & #3 to ground so that it runs in HS mode all the time as indicated in the attachment on Page 2 of Post #1
Fan relays are untouched. I checked the coolant using the Torque android app and the temp was around 180F. With AC off, the fans were on high speed. It's like their forced ON.
This morning, I turned the key to the ON position without starting the car, and the fans didn't come on! It only happened yesterday. Seriously confused now.
This morning, I turned the key to the ON position without starting the car, and the fans didn't come on! It only happened yesterday. Seriously confused now.
Thread
Thread Starter
Forum
Replies
Last Post
SARRAS
Series I Aftermarket Performance Modifications
2
Apr 25, 2011 04:39 AM



